欢迎微拓威网站,服务热线:13908175530
VTV Liuti Technology (Chengdu)  Co.,LTD
m
微拓威流体科技(成都)有限公司
当前位置:
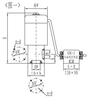
GDC-J型电磁
    发布时间: 2016-08-01 19:25    

GDCJ型系列电磁高真空挡板阀是靠电磁力和弹簧复位力,用以打开或关闭阀门,适用于真空系统中用以打开或隔断气流之用。当阀关闭时,允许阀板密封面上侧承受大压,下侧为真空,在此状态下接通电器控制盒电源后, 阀板能正常开启。适用的工作介质为空气、非腐蚀性及不含颗粒灰尘的气体。

GDC-J型电磁

技术参数


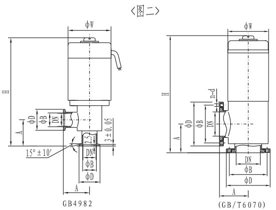
外形尺寸图