设为首页
|
加入收藏
欢迎微拓威网站,服务热线:
13908175530
VTV
Liuti Technology (Chengdu)
Co.,LTD
m
☏
网站首页
产品展示
技术服务
新闻资讯
关于我们
联系我们
微拓威流体科技(成都
)有限公司
当前位置:
网站首页
∷
高真空真空阀
∷
插板阀
∷
GD-J型手动
PURDUCTS
产品中心
GD-J型手动
发布时间: 2016-08-01 19:25
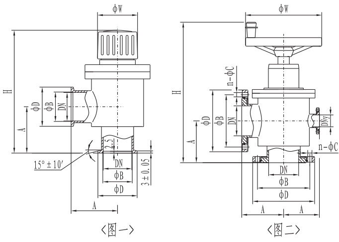
GD-J(b)型系列手动高真空挡板阀是真空系统中的重要原件之一,该阀传动部件采用螺纹结构,依靠人手旋转手轮、启闭阀板。适用的介质为空气及非腐蚀性气体。
商品信息
技术参数
外形图尺寸
上一个:
GDC-J型电磁
下一个:
CC系列手动
油润滑分子泵
高真空真空阀
插板阀
挡板阀
蝶阀
球阀
隔膜阀
针阀
波纹管阀
特种阀门
抗刻蚀阀门
耐腐蚀阀门
抗辐照阀门
超大口径阀门
真空馈入装置
真空腔体与配件
真空腔体(定制)
真空管路和配件
油雾分离器
25