欢迎微拓威网站,服务热线:13908175530
VTV Liuti Technology (Chengdu)  Co.,LTD
m
微拓威流体科技(成都)有限公司
当前位置:
GID系列电动
    发布时间: 2016-08-01 19:25    

GID型系列电动高真空蝶阀采用回转型电动、电子调节式阀门驱动装置,可以通过外接电源的切换(用手动转位开关或电脑控制)或外部输入信号,来实现阀门开、关或中间位置的控制,从而达到接通或切断真空管路中气流的目的。适用的工作介质为空气及非腐蚀性气体。

GID系列电动

技术参数



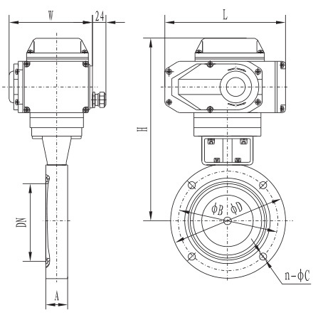
外形尺寸图